临时文档
直链测试
一次切换重启
乱纪元
WINDOWS备忘录
5G模块
CLR20r3
蓝屏文件日志文件提取
CPU-Z
做个PE进入PE
英特尔桌面处理器对照表
PC各种档次电源转换效率区别
MM-Wiki
视频VIP解析
测试
野路子下载器
图片压缩
BIOS设置_核显 显示输出Auto、IGFX、PEG、PCI
电子应用要点
条件 定义 名称
图纸常用元器件速查
智能终端维修(在线学习600题
常见故障思路
BIOS
BGA
接口电路
充电电路/176
不触发不开机故障维修思路
EC刷写
6-10代时序
哎朋
MACBOOK信号
电路深度睡眠待机与主待机供电相关知识讲解
使用 Apple Configurator 2 修复或恢复基于 Intel 的 Mac - 官方 Apple 支持 (中国)
mac book通病
显卡工作过程
台式显卡
500时序 700时序
锐龙时序
台式机电源供电
电流检测 主供电
台式常见问题
15代处理器 800桥
常见通病常见笔记本
N卡功率检测芯片
本文档使用 MrDoc 发布
-
+
首页
接口电路
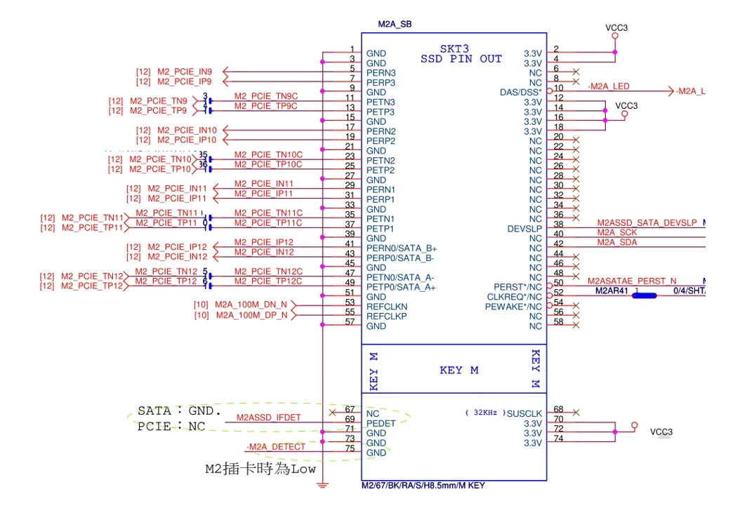
## 视听接口 ### LVDS: 开机流程 插入适配器或电池一产生公共点(给背光供电)>触发开机→产生各供电, SO状态的3.3V同时作为码片供电→产生时钟、 复位>CPU开工→检测内存→检测显卡→显卡通过EDID总线读取码片→显卡开启屏供电和背光→显卡输出LVDS信号→屏幕显示   ### EDP: #### 屏供电的产生 没有采用EDP信号和笔记本,屏供电的是在显卡通过 EDD读取屏信息以后产生,接着才有背光控制和显示信 号输出。采用EDP信号的笔记本,屏供电与码片供电一起 (没有单独的码片供电),所以屏供电比EDP先产生, 屏得到供电后,发出EDP HPD信号给显卡,显卡再发出EDP AUX信 #### 开机流程 插入适配器或电池一产生公共点(给背光供 电)→触发开机-→CPU开工→检测内存)检 测显卡→显卡开启屏供电→屏发出HPD给 显卡→显卡通过AUX通道读取屏参数→显 卡开启背光并输出eDP信号→屏幕显示 补充 苹果机等是先有屏供电再有HPD(热拔插检测 hot plug detect,电压通常1.8V,也有些2.5V),不插 屏也有屏供电 其他机型不排除有些是先有HPD再有屏供电~~~ ### HDMI #### 故障维修 故障现象:笔记本内屏显示,但是外接不显示。 故障原因:一般是接口工作条件不满足,或者数据线出问题导致的。 故障维修流程: 1.观察显示接口是否有外观性故障。 2.观察接口附近是否有外观性故障。 3.测量接口供电脚是否有供电。 4.测量插上显示器,测量HPD 是否有高电平,以及CPU是否收到HPD。 5.测量读屏信号对地阻抗是否正常。 6.测量时钟、数据及时钟、数据 耦合电容CPU端的对地阻抗是否正常。 7.上电测量插入显示接口时,读屏信号使用有瞬间波形。 8.更换耦合电容测试。 ### 声卡故障维修  #### 不认声卡检修: 不认声卡有可能是系统故障或者声卡条件不满足导致的。 声卡工作条件:声卡的所有供电均需正常,声卡到桥的五条声卡总线需正常。 检修流程: ① 清除CMOS,并使用测试系统盘测试声卡是否可以识别。 ② 检查声卡的所有供电是否正常(声卡的供电比较多) ③ 拆掉声卡测量声卡的五条总线对地值是否正常。 ④ 刷写新BIOS。 ⑤ 更换声卡测试。 ⑥ 更换桥测试。 #### 声卡无声音检修: 可能是系统设置出错或声卡电路异常导致的 检修流程: ⑦ 使用测试系统盘/重装声卡驱动测试是否有声音。 ⑧ 测试是否所有的接口都没有声音。 ⑨ 如果所有接口都没有声音,按照不认声卡流程检修。 ⑩ 如果有的接口有声音,重点检查无声音的接口。 ⑪1 测量无声音接口的数据线对地值是否正常。 ⑫ 测量无声音接口的插入检测是否正常。 ⑬3 更换声卡。 ### 网卡故障维修    #### 不识别网卡检修: 故障现象:设备管理器中识别不到网卡设备(注意区分物理网卡) 故障原因:一般是网卡工作条件不满足或网卡损坏导致的 故障检修流程: 1.清除CMOS(或刷新BIOS),并使用测试系统盘测试网卡是否可以识别。 2.观察网卡附近有没有物理损伤,如掉件,断线,腐蚀。 9.测量网卡的所有供电是否正常(注:1V供电为自己产生)。 4.测量网卡的晶振是否起振。 5.测量平台复位信号是否给到网卡。 6.测量PCIE总线6根线是否有短路/断路(注意PCIE总线有耦合电容)。 7.测量时钟请求信号REQ是否为低电平。 8.测量PCIE总线时钟线是否有波形。 9.更换PCIE总线耦合电容测试。 10、更换网卡测试。 11.更换桥测试。 #### 不能上网检修: 故障现象:网卡驱动正常,插入网线后显示未连接或不能上网 故障原因:一般是网卡工作异常或接口,网络变压器有问题。 故障检修流程: 1.清除CMOS,并使用测试系统盘测试故障是否消失。 2.观察网线接口内的八根弹针是否有变形,腐蚀,氧化严重的情况。 3.观察网卡附近是否有物理损坏,如掉件,断线,腐蚀。 4.测量网卡的所有供电是否正常(注:1V供电为自己产生)。 5.测量网卡的晶振是否起振。 6.更换网卡测试。 7.更换网线接口(网络变压器)测试。 ### 硬盘接口故障维修 不认SATA硬盘检修: 单个接口不认硬盘: 1.清除CMOS设置测试. 2.测量对应接口的数据线是否正常. 3.测量SATA总线耦合电容是否正常. 4.刷BIOS. 所有接口不认硬盘: 1.清除CMOS设置测试. 2.测量桥的所有供电是否正常. 3.刷BIOS 4.换桥. ### M2硬盘接口维修   不认M2硬盘故障检修 故障现象:装上硬盘时候不识别硬盘 故障原因:一般是M2工作条件不满足,BIOS设置错误或损坏。 故障检修流程: 1.清除CMOS,或刷BIOS测试故障是否消失。 2.观察M2接口及附近是否有物理损坏。 3.测量接口供电是否正常(3V)。 4.测量M2接口的复位信号是否正常。 5.测量M2接口的18根PCIE总线对地值是否正常(16根数据+2根时钟)。 6.测量桥是否收到低电平的REQ信号。 7.测量PCIE总线的时钟是否有波形。 8.更换PCIE耦合电容测试。 CNVi(Intel Integrated Connectivity I/O interface)是英特尔针对Wi-Fi和蓝牙提供的新型专有连接接口,可降低成本并简化其无线模块。在CNVi中,网络适配器的大部分功能模块被整合进 芯片组内部。仅信号处理器,模拟和射频(RF)功能保留在外部可升级 CRF (Companion RF Module)伴射频模块上,该模块自2019年起采用 M.2接口。 CNVI总线连接芯片组和WIFI/蓝牙模块之间的总线,由WT/WR和RGI/BRI两组总线组成,其中WT/WR归WIFI使用,RGI/BRI归蓝牙使用
root
2025年7月17日 16:58
转发文档
收藏文档
上一篇
下一篇
手机扫码
复制链接
手机扫一扫转发分享
复制链接
Markdown文件
PDF文档(打印)
分享
链接
类型
密码
更新密码